본글은 23년3월7일 최초 작성 , 필요한것들은 1/6 일 경에 받은 것들임.
Wiznet Lan 통신 칩을 사용한 ref code 가 stm, avr 은 있는거 같은데 nuvoton 은 찾지 못해 해매다가,
https://midnightcow.tistory.com/category
에서 W5500 IOLIBRARY_BSD을 MCU 8051로 포팅하기
를 참조 하여 tcp/udp loopback 만들기를 성공 하였다.
1월에 M054+ w5200 에서 한것을 조금, 아주 조금 변경 하여 nuvoton M483 + wiznet w5500 으로 수정 한것이다.
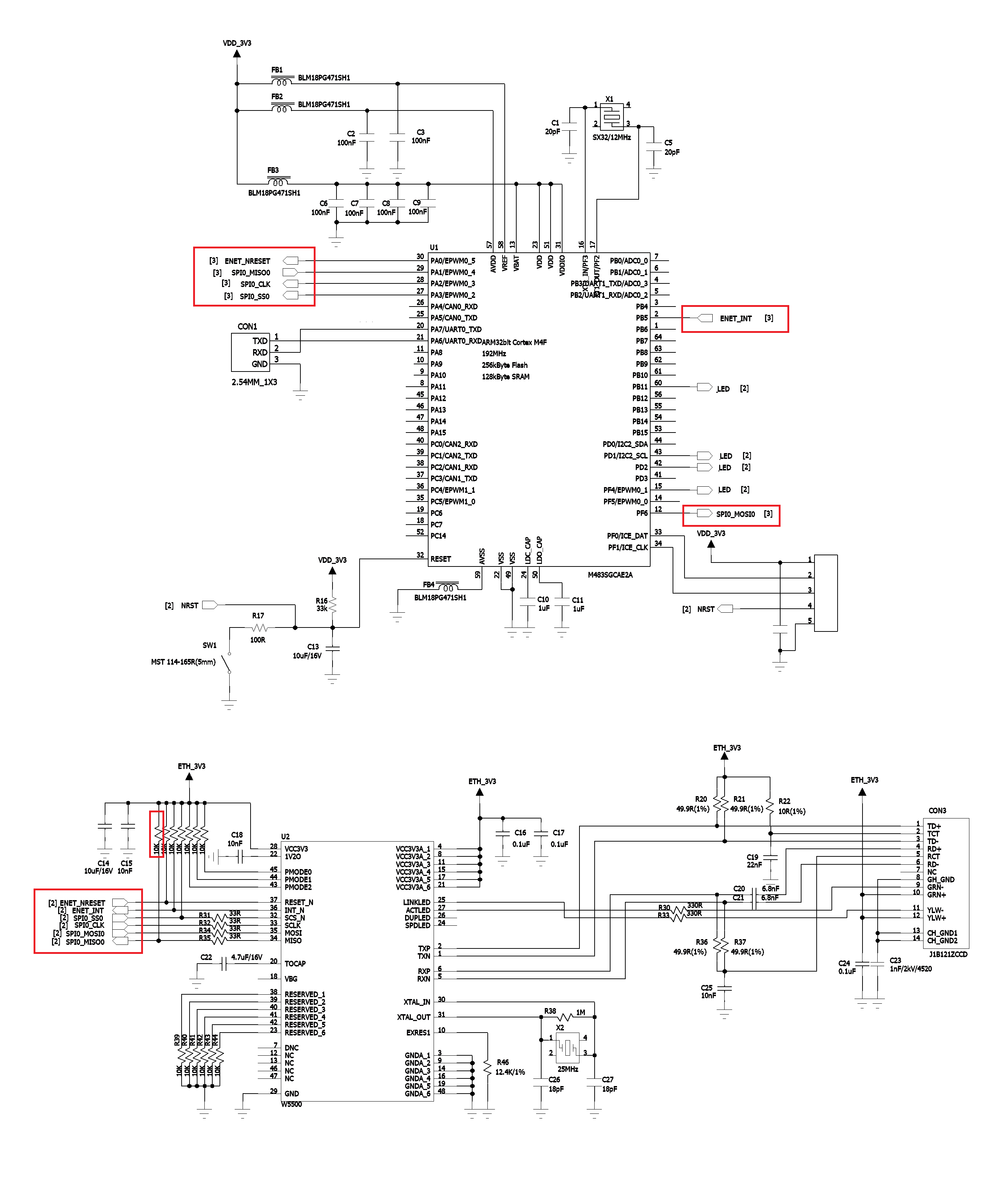
cpu 는 nuvoton M483, wiznet chip 은 w5500 으로 하였는데,
지난번 포팅하기 6 에서 w5200 정보 가져오기 getVERSIONR() 응답이 계속 0x00 이 나와 몇일 고생하다.
MISO 에 10k pull up 을 하니 응답 이 나온적이 있어, 5500에도 MISO 에 그냥 Pull up 달고 시작함. - 회로도 참고
역시 5200 에서 nuvoton spi 에 연결 하였지만, nuvoton 에서 제공하는 spi 함수는 성공 못한적이 있어
별도 spi 만들어(사실가져온거 참조)로 성공

컴파일 , 다운로드 뒤 TTL 232 연결해서 serial 통신 프로그램 access port 로 보면


전체 소스 올림
wiznet ioLibrary 230101 다운 받은거 씀. : https://github.com/Wiznet/ioLibrary_Driver
GitHub - Wiznet/ioLibrary_Driver: ioLibrary_Driver can be used for the application design of WIZnet TCP/IP chips as W5500, W5300
ioLibrary_Driver can be used for the application design of WIZnet TCP/IP chips as W5500, W5300, W5200, W5100 W5100S. - GitHub - Wiznet/ioLibrary_Driver: ioLibrary_Driver can be used for the applica...
github.com
사용한 Pc program 툴
serial rs232 통신 툴 : AccessPort : http://www.sudt.com/en/ap/index.html
tcp/udp 통신 툴 : TCP_UDP_Debugger (다운 받기 어려울거 같아.. https://bahk33.tistory.com/16 에 있음)
게을러서 필요하다 싶은 거만 써 놓았읍니다.
좋은 시간 되시기 바랍니다.
~~~~~~~~~~~~
추가
240906 : DHCP, DNS 살린 것 : https://bahk33.tistory.com/41 보셔요
'개발 > Nuvoton' 카테고리의 다른 글
| Nuvoton M483 i2c + hdc1080 (온도 습도 센서) MultyByte RW방식 (0) | 2023.07.27 |
|---|---|
| Nuvoton M483-Wiznet W5500 ioLibrary-DHCP, DNS sample source (0) | 2023.06.12 |
| Nuvoton M054 - Wiznet ioLibrary 사용하여 W5200 연결 하기 (0) | 2023.01.06 |
| CANable USB to CAN, CAN 통신 analyzer, nuvoton 사용보기 (0) | 2022.12.28 |
| max7219 를 이용 하여 FND 표시 하기 nuvoton nuc240 cpu (0) | 2022.12.13 |